
- Κεφαλές καλύμματος: 2 τμχ οδήγηση σερβο-μοτο
- Τάση: 220V, 50/60HZ;
- Ισχύς: 3,0 Kw
- Πίεση αέρα: 0,5–0,7Mpa
- Ampere: 8,5A
- Ταχύτητα: 40-45/λεπτό (προσαρμοσμένο σύμφωνα με τα σχήματα και τα μεγέθη των βάζων)
- Κατάλληλη διάμετρος προϊόντος: καπάκια φ28-φ125 mm (Μη τυπικά προσαρμοσμένα)
- Ποσοστό διέλευσης αδένα: ≥99,5% (Ανάλογα με το σφάλμα καπακιού και φιάλης)
- Μέγεθος μηχανής: 3300*1150mm*1908mm
- Βάρος: 450 kg
Πριν ενεργοποιήσετε το μηχάνημα. Διαβάστε προσεκτικά αυτό το εγχειρίδιο για θέματα ασφάλειας και τη σωστή χρήση του μηχανήματος. Για την αποφυγή ατυχημάτων προσωπικού και τη μείωση της συχνότητας ζημιών του μηχανήματος.
Στην περίπτωση διαβρωτικών προϊόντων, φροντίστε να αποφύγετε τα διαβρωτικά αντικείμενα να αγγίξουν ή να πιτσιλίσουν το ίδιο το μηχάνημα και το προσωπικό.
- Αποφύγετε τη χρήση του μηχανήματος σε μέρη που υπόκεινται σε κραδασμούς ή σύγκρουση.
- Όταν το μηχάνημα λειτουργεί, το σώμα του προσωπικού δεν μπορεί να αγγίξει τα κινούμενα μέρη.
- Το μηχάνημα πρέπει να αποφεύγεται σε μέρη με υπερβολική υγρασία. Και εισάγετέ το στο τροφοδοτικό, το καλώδιο γείωσης είναι σωστά γειωμένο, Για αποφυγή ατυχήματος ασφαλείας.
- Ο χειριστής θα πρέπει να διατηρεί μια φυσιολογική σωματική και ψυχική κατάσταση. Εάν παίρνετε αλκοόλ, υπνωτικά χάπια ή άλλα φάρμακα που είναι επιζήμια για την ψυχική σας κατάσταση, σταματήστε να λειτουργείτε το μηχάνημα.
- Ο χειριστής πρέπει να φορά κατάλληλο ρουχισμό για να αποφύγει τραυματισμό που προκαλείται από την εμπλοκή του ρουχισμού στα κυλιόμενα μέρη και δεν πρέπει να τοποθετεί ξένα αντικείμενα στο μηχάνημα.
- Εάν παρουσιαστεί θόρυβος ή άλλες ανωμαλίες κατά τη χρήση, σταματήστε αμέσως και ελέγξτε. Τεχνικοί που δεν είναι τεχνικοί, μην μεταφέρετε αυθαίρετα εξαρτήματα του μηχανήματος.
- Τακτική (μία/εβδομαδιαία) συντήρηση και φροντίδα, αποφεύγοντας το πιτσίλισμα νερού ή οποιουδήποτε υγρού και ηλεκτρονικά κουτιά ελέγχου ή άλλα ηλεκτρικά εξαρτήματα κατά τον καθαρισμό του μηχανήματος.
- Λειτουργήστε σύμφωνα με τις συνήθεις διαδικασίες λειτουργίας και διατηρήστε την επιφάνεια του μηχανήματος καθαρή και τακτοποιημένη.
Η μηχανή capper εφαρμόζεται σε όλα τα είδη καλλυντικών, φαρμάκων, κτηνιατρικών φαρμάκων, φυτοφαρμάκων, λιπαντικών και άλλων βιομηχανικών πεδίων στη διαδικασία συσκευασίας.





Αρχή και χαρακτηριστικά της μηχανής πώματος βάζων:
- Ηλεκτρικός αυτόματος έλεγχος, είναι σταθερός.
- Με συσκευή τοποθέτησης κάλυψης, κλειδωμένο κάλυμμα στάνταρ, η λειτουργία είναι βολική.
- Κλείδωμα καλύπτει ένα ευρύ φάσμα, μπορεί να γυρίσει διάφορα σχήματα προδιαγραφές του καπακιού?
- Η κάλυψη της ταχύτητας, η φυλακή του στυψίματος, μπορεί ταυτόχρονα επίσης ανάλογα με την ανάγκη ρύθμισης της στεγανότητας της περιέλιξης.


Βασικές παράμετροι της μηχανής πώματος καλλυντικών βάζων:

1. Κεφαλές καλύμματος: 2 τμχ οδήγηση σερβο-μοτο
2. Τάση: 220V, 50/60HZ;
3. Ισχύς: 3,0Kw
4. Πίεση αέρα: 0,5--0,7Mpa
5. Αμπέρ: 8,5Α
6. Ταχύτητα: 40-45/λεπτό (προσαρμοσμένο σύμφωνα με τα σχήματα και τα μεγέθη των βάζων)
7. Κατάλληλη διάμετρος προϊόντος: καπάκια φ28-φ125 mm (Μη τυποποιημένα προσαρμοσμένα)
8. Ποσοστό διέλευσης αδένα:≥99,5% (Ανάλογα με το σφάλμα καπακιού και φιάλης)
9. Μέγεθος μηχανής: 3300*1150mm*1908mm
10. Βάρος:450kg
Περιγραφή τμήματος κεντρικού υπολογιστή


Διακόπτης τροφοδοσίας: Έλεγχος παροχής ρεύματος on--off.
Ένδειξη λειτουργίας: ενεργοποίηση—πράσινη λυχνία αναμμένη, απενεργοποίηση—-πράσινη λυχνία σβηστή.
Διακοπή έκτακτης ανάγκης: Χρησιμοποιείται για να σταματήσει αμέσως το μηχάνημα ή για να επαναφέρει τη λειτουργία σε περίπτωση έκτακτης ανάγκης ή σφάλματος.
1. Εκκίνηση φωτοηλεκτρικού: Το μηχάνημα είναι σε λειτουργία, όταν η φωτοηλεκτρική ανίχνευση ανιχνεύσει ότι υπάρχει μπουκάλι και έχει καπάκι, το πικάπ μπορεί να αρχίσει να λειτουργεί. Εάν δεν ανιχνευτεί ένα από τα δύο φωτοηλεκτρικά, το περιστρεφόμενο τραπέζι δεν περιστρέφεται.
2. Φωτοηλεκτρική προέλευση: Χρησιμοποιείται για τον έλεγχο του βηματικού κινητήρα για την κίνηση της θέσης του περιστρεφόμενου δίσκου, έτσι ώστε η φιάλη να μπορεί να εισαχθεί ομαλά στο κάλυμμα.
3. Φωτοηλεκτρισμός καπακιού: Ελέγξτε εάν το κάλυμμα είναι στη θέση του και ανιχνεύστε φωτοηλεκτρικά ότι υπάρχει κάλυμμα περιστρεφόμενου δίσκου για περιστροφή.
4. Φωτοηλεκτρισμός κάλυψης: Έλεγχος της εκκίνησης και της διακοπής της μηχανής άνω καλύμματος, όταν το κάλυμμα που παρέχεται από το μηχάνημα του άνω καλύμματος ταξινομείται στη θέση που ανιχνεύεται από το φωτοηλεκτρικό, ο φωτοηλεκτρισμός είναι πάντα φωτεινός, το μηχάνημα καλύμματος σταματά για το κάλυμμα και εφαρμόζεται το έξυπνο κάλυμμα .
5. Φωτοηλεκτρισμός καλύμματος κλειδαριάς: Όταν περάσει η φιάλη με το καπάκι, ανιχνεύεται η φωτοηλεκτρική ανίχνευση και το κάλυμμα κλειδώματος ενεργοποιείται σύμφωνα με τον καθορισμένο χρόνο καθυστέρησης (οι συγκεκριμένες παράμετροι ρυθμίζονται ανάλογα με την ταχύτητα του μεταφορικού ιμάντα όταν ρυθμίζεται το μηχάνημα).
6. Σύστημα καλύμματος κλειδαριάς: Το μπουκάλι με το καπάκι είναι το ίδιο, η φωτοηλεκτρική καθυστέρηση εκκίνησης, καθυστέρηση στη φιάλη του σφιγκτήρα κυλίνδρου, το καπάκι ασφάλισης είναι χαμηλωμένο, το κάλυμμα της λαβής - το βιδωτό καπάκι - η απελευθέρωση της λαβής - το καπάκι ασφάλισης ανεβαίνει - το μπουκάλι με κλιπ έχει χαλαρώσει, και η διαδικασία του πώματος κλειδώματος έχει ολοκληρωθεί. Στο κάλυμμα της κλειδαριάς, όταν το κάλυμμα κλειδαριάς 1# βρίσκεται στο κάλυμμα της κλειδαριάς, μπαίνει ένα άλλο μπουκάλι. Αυτή τη στιγμή, ο κύλινδρος της φιάλης σφιγκτήρα 2# μετακινείται και το κάλυμμα κλειδαριάς 2# ενεργοποιείται για να κλειδώσει το κάλυμμα. (Όταν το καπάκι που έχει κλειδώσει από την κεφαλή κλειδαριάς 2# περάσει από το μπουκάλι κλιπ 1#, μην επαναλάβετε κάλυμμα κλειδαριάς.

Περιγραφή διεπαφής ανθρώπου-μηχανής

Σελίδα εκκίνησης
3.1 Η σελίδα εκκίνησης έχει επιλογή λειτουργίας Αγγλικά, Κινεζικά, εάν επιλέξετε το κουμπί Κινέζικα, εισαγάγετε την ακόλουθη διεπαφή:

Δεύτερη διεπαφή
Στάση: Ο διακόπτης εκκίνησης ολόκληρου του μηχανήματος, αγγίξτε αυτό το πλήκτρο, το μηχάνημα λειτουργεί σε αυτόματη λειτουργία, αγγίξτε ξανά αυτό το πλήκτρο, το μηχάνημα σταματά να λειτουργεί.
Πύλη δοκιμής: Ελέγξτε τη λειτουργία του μηχανήματος.
Ταχύτητα περιστρεφόμενου δίσκου: Όσο μεγαλύτερη είναι η παράμετρος ταχύτητας, τόσο μεγαλύτερη είναι η ταχύτητα, τόσο πιο αργή είναι η παράμετρος ταχύτητας. (Αλλά υπάρχει ένα μέγιστο όριο.)
Καθυστέρηση πικάπ: Ρυθμίσεις χρόνου εκκίνησης πικάπ, σύμφωνα με την ομαλή λειτουργία του πικάπ για να ρυθμίσετε.
Καθυστέρηση περιορισμού: Μετά το πικάπ στον καθορισμένο σταθμό, καθυστερήστε τον χρόνο αναμονής, το καπάκι δράσης του κυλίνδρου.
Χρόνος περιορισμού: Ο χρόνος που απαιτείται για τη σφράγιση του κυλίνδρου.
Παραγωγή: Συμπληρώστε το αρχείο του αριθμού του καλύμματος κλειδαριάς, βολικό πλήθος παραγωγής. Πατήστε το πλήκτρο επαναφοράς για διαγραφή.
Χ1. X3. X14: Ελέγξτε εάν το φωτοηλεκτρικό είναι στην κατάσταση λειτουργίας της ανάκλασης, είναι εύκολο να δείτε τη λειτουργία της κατάστασης του μηχανήματος,
Παράμετρος περιορισμού: Πατήστε αυτό το πλήκτρο και εισάγετε την ακόλουθη διεπαφή:

Η διασύνδεση είναι μια σελίδα παραμέτρων που ρυθμίζεται για κάθε ενέργεια της κεφαλής κλειδαριάς 1 # στο σύστημα καλύμματος κλειδαριάς σερβοκινητήρα, η λογική ρύθμιση των παραμέτρων είναι ευεργετική για τη σταθερότητα του μηχανήματος και τη βελτίωση της απόδοσης.
Απόδοση: Πατήστε αυτό το κουμπί για να επιστρέψετε στη δεύτερη διεπαφή.
I/O: Πατήστε αυτό το κουμπί για να εισέλθετε στην ακόλουθη διεπαφή:

Σημεία σειράς Χ: Είναι το σημείο εισόδου για να ανιχνεύσετε εάν το φωτοηλεκτρικό είναι σε κατάσταση λειτουργίας, είναι εύκολο να δείτε τη λειτουργία του μηχανήματος, εύκολη συντήρηση.
Σημεία σειράς Y: Είναι το σημείο εξόδου των εκτελεστικών στοιχείων της κανονικής κατάστασης της ανάδρασης, μπορείτε επίσης να πατήσετε χειροκίνητα το πλήκτρο ελέγχου για να ελέγξετε εάν τα στοιχεία εκτέλεσης είναι κανονικά.
Σύστημα τροφοδοσίας καπακιού: Μπορεί να είναι σταθερό και τακτοποιημένο σύμφωνα με την προβλεπόμενη κατεύθυνση για κάλυψη.
Ρύθμιση κλίσης: λογική γωνία μπορεί να ρυθμιστεί για να ελέγχει το ανάποδο καπάκι δεν σκαρφαλώνει στην τσουλήθρα.
Ρύθμιση μετατροπέα συχνότητας: ελέγξτε την ταχύτητα του καλύμματος.


Συντήρηση εξοπλισμού καλύμματος βάζων:
1. Συντηρήστε το μηχάνημα σε κατάσταση απενεργοποίησης και αερίου για να διασφαλίσετε την ασφάλεια. Διατηρείτε το μηχάνημα καθαρό και τακτοποιημένο, χωρίς διάφορα πράγματα στο μηχάνημα, χωρίς μικροαντικείμενα, αξεσουάρ, μπουλόνια κ.λπ.
2. Και το λιπαντικό προστίθεται τακτικά στον μηχανισμό του κινούμενου μέρους για να διασφαλιστεί η καλή κατάσταση λειτουργίας του μηχανισμού.
3. Απελευθερώνετε τακτικά νερό από τη μονάδα φίλτρου αέρα και προσθέτετε λιπαντικό λάδι για να διασφαλίσετε τη σωστή χρήση του κυλίνδρου και να παρατείνετε τη διάρκεια ζωής.
4. Ελέγχετε και επισκευάζετε το μηχάνημα τακτικά. Κρίνετε την κατάσταση λειτουργίας του εξοπλισμού μέσω της όρασης και του αυτιού για να βεβαιωθείτε ότι το μηχάνημα λειτουργεί καλά.
Σημείωμα: χρησιμοποιήστε και διατηρήστε αυστηρά σύμφωνα με τις οδηγίες, η περίοδος εγγύησης απαγορεύεται αυστηρά για το άνοιγμα και την αποσυναρμολόγηση, διαφορετικά η ζημιά που προκαλείται από αυτό ως ανθρώπινη ζημιά, χωρίς δωρεάν επισκευή. Αυτή η οδηγία υπόκειται σε αλλαγές χωρίς προειδοποίηση. Εάν εξακολουθείτε να υπάρχει αβεβαιότητα σχετικά με τη λειτουργία αυτού του μηχανήματος, καλέστε μας ανά πάσα στιγμή για ερωτήσεις
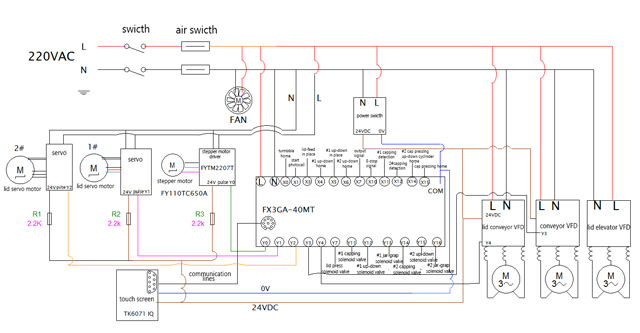
Συνημμένο ηλεκτρικό σχήμα:

Τα τελειωμένα σφραγισμένα καπάκια δειγματίζουν τη μηχανή κάλυψης βάζων:





Βαθμολογία: επειδή τα τετράγωνα μαύρα βάζα λόγω των καπακιών είναι επιρρεπή σε γρατσουνιές, έχει σχεδιαστεί με το σύστημα συλλογής για να τραβούν τα καπάκια των βάζων έξω από τους δίσκους και να τα τοποθετούν στο σταθμό που είναι έτοιμος για το πώμα για τη διαδικασία κλεισίματος του πώματος. Η λεπτομερής αρχή λειτουργίας απεικονίζεται ως εξής: Διαδικασία εργασίας:
1. Χειροκίνητη τοποθέτηση των καλυμμάτων στο δίσκο (15*15 ή 10*10)

2. Τοποθέτηση των δίσκων στο σταθμό ετοιμότητας παραλαβής
3. Ρομπότ που μαζεύουν τα βάζα

4. Τοποθέτηση των φιαλών και φινίρισμα της διαδικασίας κάλυψης
5. Έξοδος καπακιών βάζων











