
- Ταχύτητα κάλυψης: 15-30 τεμάχια/λεπτό
- Ονομαστική τάση: 110V/60Hz (Πρότυπο ΗΠΑ)
- Ισχύς μηχανής: 0,8KW
- Ampere: 2,2A
- Εξωτερική διάσταση: 2230*1460*1600 MM(Μ*Π*Υ)
- Πίεση αέρα: 0,7 MPa
- Βάρος: Περίπου 300 KG
Ειδοποίηση πριν από την εκκίνηση του μηχανήματος κάλυψης φιαλών
1: Προτού συνδεθεί το μηχάνημα στην πρίζα, βεβαιωθείτε ότι ο διακόπτης λειτουργίας βρίσκεται σε κλειστή κατάσταση και, στη συνέχεια, ακολουθήστε τις οδηγίες.
2: Εάν το μηχάνημα δεν λειτουργεί για μεγάλο χρονικό διάστημα, θα πρέπει να σκουπιστεί με ένα κομμάτι στεγνό πανί και δεν πρέπει να καθαρίζεται με κανένα διαβρωτικό καθαριστικό.
3: Απαγορεύεται αυστηρά η εκτόξευση υγρού στο ηλεκτρικό κουτί του μηχανήματος, ώστε να αποφευχθεί η διάβρωση στα εσωτερικά ηλεκτρικά εξαρτήματα και να προκληθεί βραχυκύκλωμα.
4: Ελέγξτε σύμφωνα με τα μοντέλα της λίστας συσκευασίας εξοπλισμού, τις προδιαγραφές και την ποσότητα του εξοπλισμού και των υλικών για να βεβαιωθείτε ότι πληρούν τις απαιτήσεις σχεδιασμού και προτύπων προϊόντων και συνοδεύονται από πιστοποιητικά συμμόρφωσης.
5: Ελέγξτε την εμφάνιση του εξοπλισμού για να βεβαιωθείτε ότι είναι απαλλαγμένος από παραμόρφωση, ζημιά και διάβρωση και ότι όλοι οι άξονες θα πρέπει να περιστρέφονται ευέλικτα χωρίς κανένα μπλοκάρισμα.
6: Αυτό το μηχάνημα λειτουργεί με μονοφασικό AC 110V και το επίπεδο βύσμα τροφοδοσίας με 3 πόδια θα πρέπει να συνδεθεί στην πρίζα με ένα καλώδιο γείωσης.
Τεχνικές Παράμετροι

- Ταχύτητα κάλυψης: 15-30 τεμάχια/λεπτό
- Ονομαστική τάση: 110V/60Hz (Πρότυπο ΗΠΑ)
- Ισχύς μηχανής: 0,8KW
- Ampere: 2,2A
- Εξωτερική διάσταση: 2230*1460*1600 MM(Μ*Π*Υ)
- Πίεση αέρα: 0,7 MPa
- Βάρος: Περίπου 300 KG
Μηχανή κάλυψης Αναλυτικά:



Δομές Της Μηχανής

Περιγραφή ηλεκτρικών ματιών οπτικών ινών
Ηλεκτρικό μάτι για ανίχνευση μπουκαλιών:

Όταν λειτουργεί σε αυτόματη λειτουργία, ο σκοπός αυτού του ηλεκτρικού ματιού είναι να ανιχνεύει τα εισερχόμενα μπουκάλια.
Όταν εντοπιστεί το εισερχόμενο μπουκάλι, το «πικάπ» περιστρέφεται.
Καπάκι-Ηλεκτρικό μάτι

Όταν λειτουργεί σε αυτόματη λειτουργία, ο σκοπός αυτού του ηλεκτρικού ματιού είναι να ανιχνεύει τα εισερχόμενα καλύμματα.
Όταν ανιχνευτεί το εισερχόμενο καπάκι, ο "μηχανισμός εξαγωγής" ανεβαίνει για τη λήψη υλικού.
Καπάκι-Ηλεκτρικό μάτι

Όταν λειτουργεί σε αυτόματη λειτουργία: Ο σκοπός αυτού του ηλεκτρικού ματιού είναι να ανιχνεύει τα εισερχόμενα μπουκάλια.
Όταν ανιχνευτεί το εισερχόμενο μπουκάλι, ο "μηχανισμός του πώματος κλειδώματος" περιστρέφει το καπάκι ασφάλισης προς τα κάτω.
Κουμπί διακόπτη και θύρα καλωδίωσης
Οθόνη αφής και διακοπή έκτακτης ανάγκης

Ελεγκτής πλάκας δόνησης κινητήρα και καπακιού τροφοδοσίας

Ελεγκτής πλάκας δόνησης

Ελεγκτής πλάκας δόνησης: Ρυθμίζοντας την τάση, ρυθμίστε την ταχύτητα εκφόρτισης.
Διακόπτης ρεύματος και πρίζες

Ελεγκτής κινητήρα

Μετασχηματιστής συχνότητας: Ρυθμίζοντας το κουμπί του μετασχηματιστή συχνότητας, ρυθμίστε την ταχύτητα του κινητήρα.
Μέθοδος συναγερμού και αντιμετώπισης προβλημάτων:
1. Έχει πατηθεί η διακοπή έκτακτης ανάγκης. Σπρώξτε τα στοπ έκτακτης ανάγκης στο καπάκι του μηχανήματος και δίπλα στην οθόνη αφής.
2. Η έξοδος φτάνει την καθορισμένη τιμή. Ρυθμίστε την έξοδο, πατήστε το κουμπί διαγραφής για να διαγράψετε την τρέχουσα έξοδο.
3. Όταν τα καπάκια δεν ανιχνεύονται για μεγάλο χρονικό διάστημα, ελέγξτε. Ελέγξτε την επαγωγική ίνα του καπακιού της φιάλης για το εάν είναι καλά εφοδιασμένη. Ελέγξτε εάν τα καπάκια είναι στη θέση τους ή όχι.
4. Όταν τα μπουκάλια δεν ανιχνεύονται για μεγάλο χρονικό διάστημα, ελέγξτε. Ελέγξτε εάν τα μπουκάλια είναι στη θέση τους.
Ηλεκτρική ρύθμιση ματιών:
Δομή ενισχυτή

Διάγραμμα για οπτικές ίνες:

1. Μπάρα κλειδώματος οπτικών ινών
2. Ένδειξη κατάστασης λειτουργίας
3. Σετ
4. Ενδεικτική λυχνία DSC
5. Ψηφιακή οθόνη
6. Χειροκίνητο κουμπί
7. Εκτεταμένο προστατευτικό κάλυμμα
8. Σύνδεσμος επέκτασης
9. Διακόπτης επιλογέα ισχύος
10. Κουμπί λειτουργίας
11. Επιλογέας εξόδου
12. Καλώδια
13. Προστατευτικό σκόνης
14. Ορισμός τιμής (με πράσινο)
15. Τρέχουσα τιμή (με κόκκινο)
Διαδικασία εργασίας για τη ρύθμιση οπτικών ινών
- Όταν το ηλεκτρικό μάτι πέφτει στο κενό, η τιμή του κόκκινου ρεύματος είναι 144.
- Όταν το ηλεκτρικό μάτι πέσει στην ετικέτα, η τιμή του κόκκινου ρεύματος είναι 4.
- Προσαρμόστε την καθορισμένη τιμή", περίπου το 1/2 της τιμής που βρίσκεται το ηλεκτρικό μάτι στο χαρτί σώματος (στο κενό μεταξύ των προς ανίχνευση αντικειμένων) και της τιμής που βρίσκεται το ηλεκτρικό μάτι στο χαρτί, η καθορισμένη τιμή είναι (144 4)/2=74, προσαρμόστε το χειροκίνητο κουμπί για να προσαρμόσετε την καθορισμένη τιμή στο 74.
- Μετακινήστε το διάκενο της ετικέτας εμπρός και πίσω στη θέση του ηλεκτρικού ματιού και την κόκκινη «λυχνία σηματοδότησης/ενδεικτική λυχνία».
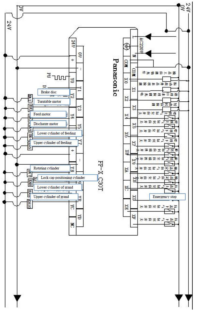
Διάγραμμα κυκλώματος



Μηχανή κάλυψης φιαλών συντήρησης

1. Είναι απαραίτητο να ελέγξετε και να διατηρήσετε το μηχάνημα για να επιμηκύνετε το μηχάνημα και να βελτιστοποιήσετε τη λειτουργία του μηχανήματος.
- Η μηχανή εργασίας πρέπει να συντηρείται κάθε τρεις μήνες.
- Το ρουλεμάν και το τμήμα μετάδοσης κίνησης πρέπει να λιπαίνονται με γράσο.
- Η λίπανση πρέπει να γίνεται περιοδικά.
- Το λάδι ολίσθησης (N68) πρέπει να προστίθεται στο εξάρτημα, όπως η παλινδρομική κίνηση του μηχανισμού ή η ανύψωση δύο φορές την ημέρα.
- Το λάδι αυτοκινήτου (N68) πρέπει να προστεθεί στα περιστροφικά ή αιωρούμενα μέρη.
- Κάθε μισό μήνα προσθέτετε το γράσο στην υποδοχή έκκεντρου.
- Κάθε μήνα μια φορά για μπεκ λαδιού προσθέτοντας το γράσο.
2. Ποτέ μην χρησιμοποιείτε μεταλλικά εργαλεία για να χτυπήσετε ή να ξύσετε την επιφάνεια όπου η συγκόλληση είναι συσσωματωμένη σε μέρη όπως εξαρτήματα ή καλούπι.
3. Εάν το μηχάνημα σταματήσει να λειτουργεί για μεγάλο χρονικό διάστημα, προσθέστε το γράσο για λίπανση στα μέρη όπως το κιβώτιο ταχυτήτων ή το εξάρτημα ρουλεμάν. Αντιμετωπίστε επίσης το μηχάνημα με αδιάβροχη προστασία.
4. Ποτέ μην βάζετε αντικείμενα στο μηχάνημα, μήπως προκληθεί ζημιά στο μηχάνημα.
5. Καθαρίζετε περιοδικά τη σκόνη στο εσωτερικό των εξαρτημάτων και ελέγχετε όλες τις βίδες και στερεώνετε τυχόν βίδες που έχουν χαλαρώσει.
6. Ελέγξτε τις βίδες στους ακροδέκτες για καλωδίωση σε μια συγκεκριμένη χρονική στιγμή και βεβαιωθείτε ότι η βίδα είναι στερεωμένη.
7. Ελέγξτε εάν υπάρχει χαλαρός σταθμός στην τεντωμένη διαδρομή καλωδίωσης από τα ηλεκτρικά κουτιά. Εάν το εξάρτημα είναι πολύ χαλαρό, στερεώστε ξανά τη βίδα για να αποφύγετε την τριβή ή τη ζημιά στο στρώμα μόνωσης που μπορεί να προκαλέσει την ηλεκτρική διαρροή.
8. Ελέγξτε τα χτυπήματα που φοριούνται εύκολα και αλλάξτε τα κατεστραμμένα εγκαίρως.









