
- Πλυντήριο ρούχων για γυάλινα μπουκάλια VK-BR
- Μηχανή πλήρωσης λαδιού VK-PF 4 κεφαλών
- Μηχάνημα κάλυψης κενού VK-VC
- Μηχάνημα ετικετών στρογγυλών φιαλών VK-RPL
Η πλήρως αυτόματη γραμμή πλήρωσης μπορεί να προσαρμοστεί σύμφωνα με τις απαιτήσεις του πελάτη και τα δείγματα που προσφέρονται από τον αγοραστή. Όπως παρακάτω, παρατίθενται οι βασικές πληροφορίες για αυτήν την πλήρως αυτόματη γραμμή πλήρωσης για τη βιομηχανία τροφίμων:
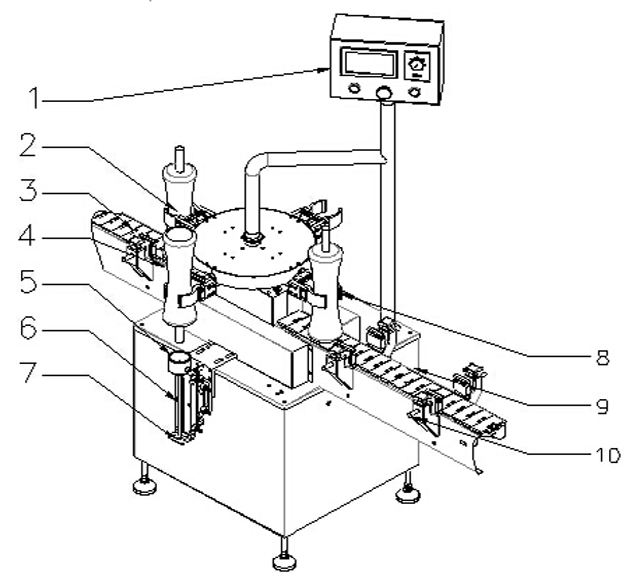
Γυάλινα μπουκάλια Air Washing Machien Εξοπλισμός πλυντηρίου κενού
Είναι ένα αυτόματο πλυντήριο μπουκαλιών με αέρα. η χωρητικότητα εξαρτάται από τα ακροφύσια πλύσης αέρα.
Ο αεροσυμπιεστής μεταφέρει τον αέρα μέσα στο δοχείο κενού, το αέριο μέσω της ηλεκτρομαγνητικής βαλβίδας και η γεννήτρια ιόντων καθαρίστηκε, το σαμπουάν αερίων τραχείας φυσά αέριο σε φιάλες μέσω του στομίου πλύσης αερίου, φυσάει ξένα από το στόμιο πλύσης αερίου με την πίεση αερίου, οπίσθια τραχεία καυσαέρια προς τα έξω μέσω ελέγχου εκπομπών.

| 1 | Πίνακας ελέγχου | 2 | Μπουκάλια |
| 3 | Ζώνη για μπουκάλια ταΐσματος | 4 | Αισθητήρας για τροφοδοσία μπουκαλιών |
| 5 | δομή στερέωσης μπουκαλιών | 6 | Έγχυση έκπλυσης |
| 7 | Ηλεκτροστατικό Tuyere | 8 | Σημείο στερέωσης μπουκαλιών |
| 9 | Ζώνη για έξοδο φιαλών | 10 | Μπάρα οδηγού |
Βασική παράμετρος του περιστροφικού πλυντηρίου αέρα αυτόματου για γυάλινα μπουκάλια:

Μοντέλο: VK-BR
Κοστούμι σε φιάλη: 20-1000ml
Ικανότητα παραγωγής: 8 ακροφύσια καθαρισμού: 3600~4800bph
Εύρος πίεσης αέρα: 6~8kg/cm2
Κατανάλωση αέρα: 25m3/h
Τροφοδοσία: 220V 50/60Hz
Κατανάλωση ισχύος: 0,75Kw
Θόρυβος ενός μηχανήματος: ≤70dB
Καθαρός αέρας: 0,2μm
Χρόνος καθαρισμού: 3~5 δευτερόλεπτα
Καθαρό βάρος: 350 κιλά
Συνολική διάσταση: 1200 x 800 x 1600 mm
Μηχανή πλήρωσης λαδιού 4 κεφαλών Γραμμικό Γεμιστικό

Η μηχανή πλήρωσης ελιάς 4 κεφαλών, ελεγχόμενη από τον μικροϋπολογιστή, συνδυάζει τη φωτοηλεκτρική ενέργεια με την πνευματική λειτουργία, επομένως εφαρμόζεται ευρέως για την υγρή πλήρωση της γεωργικής χημικής ουσίας, του διαλύματος, του υγρού απορρυπαντικού, του καλλυντικού καθώς και της ελιάς.
Ο όγκος πλήρωσης είναι ακριβής, χωρίς αφρό και σταθερός. Το μηχάνημα μπορεί να γεμίσει το υγρό με εύρος από 25-1000ml, ενώ δεν υπάρχει ειδική απαίτηση για τα σχήματα των φιαλών. Μπορεί, δηλαδή, να γεμίσει το υγρό για τα κανονικά μπουκάλια αλλά και τα μπουκάλια σε σχήμα ράβδου.

Μοντέλο: VK-PF
Εύρος πλήρωσης: 50-3000 ml
Ταχύτητα πλήρωσης: <20-30b/m (για 500-1000 ml υγρού)
Ακρίβεια: ±1%
Ισχύς τροφοδοσίας/τροφοδοσίας: 0,8 kw, 220v
Πίεση εργασίας: 5~6 kg/cm3
Κατανάλωση αέρα: 0,5-0,7mpa
ΒΔ: 500 κιλά
Εξωτερική διάσταση: 2000×800×1900mm
Σημάδι: Τα ακροφύσια πλήρωσης μπορούν να σχεδιαστούν και να κατασκευαστούν σύμφωνα με τις απαιτήσεις των πελατών σχετικά με το εύρος πλήρωσης και την ταχύτητα πλήρωσης
Γραμμική μηχανή κάλυψης κενού Vk-Vc Εξοπλισμός καπακιού βάζας:
Αυτή η μηχανή γραμμικής κάλυψης έχει ερευνηθεί και αναπτυχθεί από την εταιρεία μας με πολυετή εμπειρία, είναι μοναδική στην οικιακή χρήση. Ενσωματωμένη αυτόματη διάταξη καπακιού με κάλυμμα, κάλυμμα κενού.
Υιοθετήθηκε χειροκίνητη αντλία κενού για την επίτευξη υψηλού κενού. Με τις λειτουργίες χωρίς μπουκάλι χωρίς κάλυμμα, ανησυχητικό όταν δεν υπάρχουν διαθέσιμα καπάκια. Απολάμβανε υψηλή αυτοματοποίηση. Τα κύρια πνευματικά και ηλεκτρικά εξαρτήματα είναι από παγκοσμίου φήμης μάρκες.
Με σταθερή και αξιόπιστη απόδοση. Χρησιμοποιείται ευρέως για το πώμα κενού των γυάλινων βάζων με σιδερένια καπάκια στις βιομηχανίες κονσερβοποιημένων τροφίμων, ποτών, καρυκευμάτων, προϊόντων υγειονομικής περίθαλψης κ.λπ.

Ισχύς: ≤2,3 KW (συμπεριλαμβανομένης της αντλίας κενού)
Δυνατότητα παραγωγής: 50-60BPM
Διάμετρος καπακιού: ¢30-¢55mm ¢50-¢85mm
Ύψος μπουκαλιού: 80-250mm
Διάμετρος φιάλης: 30-85 mm
Μέγιστη υποπίεση: -0,08mpa
Στρέψη καλύμματος: 5-20Ν.Μ
Κατανάλωση αέρα: 0,6M3/0,7Mpa
Διαστάσεις μηχανής: Περίπου 3000×1000×1900mm
Βάρος: Περίπου 850 κιλά
Vk-Rpl Στρογγυλά μπουκάλια Βαζάκια Ετικετών

Εφαρμογή: Απαιτήστε την περιφερειακή επιφάνεια της συνδεδεμένης ετικέτας ή προϊόντος με μεμβράνη.
Βιομηχανία: Χρησιμοποιείται ευρέως σε τρόφιμα, φάρμακα, καλλυντικά, καλλυντικά, ηλεκτρονικά, μεταλλικά, πλαστικά και άλλες βιομηχανίες.
Εφαρμογή: Επισήμανση στρογγυλής φιάλης PET, επισήμανση πλαστικών φιαλών, κονσερβοποιημένων τροφίμων και ούτω καθεξής.

Κατάλληλο μήκος ετικέτας (mm): 20mm ~ 314mm
Εφαρμόσιμο πλάτος ετικέτας (πλάτος χαρτιού υποστήριξης / mm): 15 mm ~ 150 mm
Διάμετρος ισχύων προϊόντων (για στρογγυλή φιάλη) και ύψος: διάμετρος: φ25mm ~ φ100mm
Ύψος: 25mm ~ 230mm
Ισχύουσα τυπική διάμετρος ρολού (mm): φ280mm
Ισχύουσα τυπική διάμετρος ρολού (mm): φ76mm
Ακρίβεια επισήμανσης (mm): ± 1mm
Η τυπική ταχύτητα (m / min): Servo: 5 ~ 25m/min Βήμα: 5 ~ 19m/min
Ταχύτητα επισήμανσης (τμχ / λεπτό): Βήμα: 30 ~ 80 τμχ/λεπτό (με το μπουκάλι και το μέγεθος της ετικέτας)
Servo: 40 ~ 120 τμχ/λεπτό
Ταχύτητα μεταφορέα (m / min): 5 ~ 25m/min
Βάρος (kg): Περίπου 185 kg
Συχνότητα (HZ): 50HZ Τάση (V): 220V
Ισχύς (W): 530W (βηματικός έλξης) 980W (σερβομηχανισμός έλξης)
Διαστάσεις συσκευής (mm) (Μ × Π × Υ): 1950 mm × 1100 mm × 1300 mm


Ξύλινη θήκη συσκευασίας:

Εξυπηρέτηση μετά την πώληση για τη γραμμή πλήρωσης

Εγγυόμαστε την ποιότητα των κύριων ανταλλακτικών εντός 12 μηνών. Εάν τα κύρια εξαρτήματα πάνε στραβά χωρίς τεχνητούς παράγοντες εντός ενός έτους, θα τα παρέχουμε ελεύθερα ή θα τα συντηρήσουμε για εσάς. Μετά από ένα χρόνο, εάν χρειαστεί να αλλάξετε ανταλλακτικά, θα σας παρέχουμε ευγενικά την καλύτερη τιμή ή θα τη διατηρήσουμε στον ιστότοπό σας. Κάθε φορά που έχετε τεχνικές ερωτήσεις σχετικά με τη χρήση του, θα κάνουμε ελεύθερα το καλύτερο δυνατό για να σας υποστηρίξουμε.
Εγγύηση ποιότητας:
Ο Κατασκευαστής θα εγγυηθεί ότι τα προϊόντα είναι κατασκευασμένα από τα καλύτερα υλικά του Κατασκευαστή, με πρώτης τάξεως ποιότητα κατασκευής, ολοκαίνουργια, αχρησιμοποίητα και ανταποκρίνονται από κάθε άποψη στην ποιότητα, τις προδιαγραφές και τις επιδόσεις όπως ορίζονται στην παρούσα σύμβαση. Η περίοδος εγγύησης ποιότητας είναι εντός 12 μηνών από την ημερομηνία B/L.
Ο κατασκευαστής θα επισκευάζει τα μηχανήματα που έχουν συναφθεί δωρεάν κατά τη διάρκεια της περιόδου εγγύησης ποιότητας.
Εάν η βλάβη μπορεί να οφείλεται σε ακατάλληλη χρήση ή σε άλλους λόγους από τον Αγοραστή, ο κατασκευαστής θα εισπράξει το κόστος των ανταλλακτικών επισκευής.
Εγκατάσταση και εντοπισμός σφαλμάτων:
Ο πωλητής θα έστελνε τους μηχανικούς του για να καθοδηγήσουν την εγκατάσταση και τον εντοπισμό σφαλμάτων. Το κόστος θα επιβαρύνει τον αγοραστή (αεροπορικά εισιτήρια μετ' επιστροφής, τέλη διαμονής στη χώρα αγοραστή). Ο αγοραστής θα πρέπει να παρέχει τη βοήθεια του ιστότοπού του για την εγκατάσταση και τον εντοπισμό σφαλμάτων.









